
Высокомощный подающий насос Emaux AFS55 трехфазный предназначен для использования в бассейнах до 340000 л.
-
Насос для встречного течения.
-
Производительность: 90 м³/час, при высоте столба 6 м.
-
Входная мощность: 4 кВт
-
Выходная мощность: 4 кВт (5.5 HP)
-
Количество фаз: 3
Дополнительно:
-
Детали изготовлены из нержавеющих материалов
-
Используются подшипники NSK
-
Класс изоляции: 155(F)
-
Класс водозащиты: IPX5
-
Термическая защита
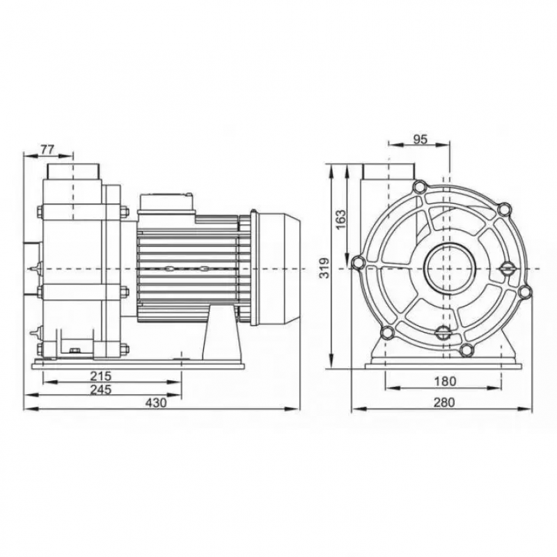
Насос Emaux AFS55
Насос Emaux AFS55 предназначен для использования в противоточных системах, системах циркуляции воды и для аттракционов. Обладает высокой энергоэффективностью и производительностью 90 м³/час при высоте столба в 6 м. Конструкция насоса предусматривает защиту от утечек и достижение максимальной эффективности забора воды, за счёт улучшенного кольцевого уплотнителя. Стандарт водонепроницаемости IPX5, класс изоляции - 155(F), количество фаз - 3 (380В/50Гц). Диаметр всасывающего и напорного патрубка для подключения к водопроводной системе составляет 2,5”/ 75 мм под резьбовое / клеевое соединение.
-
Наличие термозащиты
-
Защита от перегрузки
-
Большая мощность
-
Низкий уровень шума
Нет отзывов о данном товаре, станьте первым, оставьте свой отзыв.